Электрооборудование автомобиля
Муфта свободного хода служит для передачи крутящего момента от вала якоря на венец маховика и предотвращает передачу вращения от маховика на якорь после пуска двигателя, что предупреждает выброс проводов из пазов сердечника якоря (разнос). На направляющей втулке 39 укреплена ведущая обойма 45, имеющая четыре клиновидных паза, в которых установлены ролики 44. Пружины 50 через Г-образные…
Тяговое реле при включении стартера обеспечивает ввод шестерни привода в зацепление с венцом маховика и подключение электрической цепи обмоток стартера к аккумуляторной батарее. Внутри корпуса тягового реле расположены втягивающая 12 и удерживающая 13 обмотки. Стальной якорек 15 свободно перемещается в латунной втулке и отжимается возвратной пружиной 16 в исходное положение. На штоке установлен медный контактный…
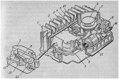
При включенном выключателе ВЗ зажигания в момент замыкания контактов прерывателя ПР через переход эмиттер — база транзистора будет проходить ток управления (на рис. показано пунктирными стрелками): « + » аккумуляторной батареи — амперметр — выключатель зажигания ВЗ — дополнительные резисторы СЭ107 — первичная обмотка катушки зажигания — безымянный зажим транзисторного коммутатора — переход эмиттер-база транзистора…
Цепь тока низкого напряжения « + » аккумуляторной батареи — амперметр — выключатель зажигания — дополнительные резисторы — первичная обмотка катушки зажигания — переход эмиттер-коллектор транзистора — корпус — « — » аккумуляторной батареи Сила тока в первичной цепи при открытом транзисторе достигает 8 А при неработающем двигателе и снижается до ЗА при увеличении частоты…
Для предотвращения перегрева и пробоя транзистора при увеличении э. д. с. самоиндукции первичной обмотки катушки, что происходит при малой частоте вращения коленчатого вала двигателя или обрыва в цепи высокого напряжения, параллельно цепочке конденсатора С1 включена цепочка, состоящая из диода Д1 и стабилитрона Д2. Диод Д1 препятствует прохождению тока от аккумуляторной батареи через стабилитрон Д2, минуя…
Стартер служит для вращения коленчатого вала с частотой 40—50 об/мин при пуске двигателя, при которой обеспечивается быстрый и надежный пуск двигателя. 1 — ярмо; 2 и 9 — пружины; 3 — обмотка реле; 4 и 15 — якорьки; 5 — ограничитель подъема якорька; 6 — контакты; 7 — стойки неподвижных контактов; 8 — вывод обмоток…
Стартер состоит из электродвигателя постоянного тока, механизма привода и тягового реле. В электрическую схему стартера входят реле включения и выключатель стартера (он же выключатель зажигания). На автомобилях ГАЗ-24 «Волга», ГАЗ-З102 «Волга», УАЗ-451, УАЗ-452 и УАЗ-469 применяют стартер СТ230-Б номинальной мощностью 1,03 кВт, на автомобиле «Москвич-2140» — стартер СТ117-А мощностью 1,3 кВт, а на автомобиле ВАЗ-212…
Октан-корректор прерывателя-распределителя Р119, устанавливаемого на автомобилях УАЗ, состоит из двух пластин 1 и 5, соединенных между собой тягой 3 с гайками 4. Верхняя пластина 5 прикреплена болтом 6 к корпусу 8 прерывателя-распределителя. Нижняя пластина 1 винтом 2 крепится к блоку цилиндров. Пластина 1 имеет шкалу с делениями. Каждое деление соответствует углу опережения зажигания 2° по…
При работе приборов и аппаратов электрооборудования между электродами распределителя и свечей зажигания, контактами электрических приборов, а также между щетками и коллектором электродвигателей создается искрение, являющееся причиной возникновения высокочастотных электромагнитных волн, которые, пересекая антенны, создают помехи, ухудшающие прием радио- и телевизионных передач. Особенно сильные помехи создает система зажигания. Для уменьшения помех в распределителе и в наконечниках…
Приборы контактно-транзисторной системы зажигания. В систему контактно-транзисторного зажигания входят: транзисторный коммутатор ТК102; катушка зажигания Б114-Б; дополнительные резисторы СЭ107, прерыватель-распределитель Р147-Б, свечи зажигания и провода для соединения приборов. Транзисторный коммутатор ТК102 служит для выключения цепи тока низкого напряжения при размыкании контактов прерывателя. Коммутатор состоит из транзистора 6, диода Д1, стабилитрона Д2, конденсаторов С1 и С2 и…






